
The integrated pulse-type stepper motor is a new motor-driver integrated actuator newly launched by Gerui IoT Technology Co., Ltd. It adopts the latest dedicated motor control digital signal processor (DSP), which enhances the comprehensive performance of the motor, reduces its heat generation and minimizes vibration. Featuring an integrated design of motor and driver, it enables more compact installation and reduces external interference. This integrated motor comes with a serial port debugging function and uses a MINI USB interface for communication. Users can set various parameters such as subdivision, current and working mode through the upper computer debugging software, greatly enriching the practical functions of the product and meeting the application needs of most scenarios.
Open-loop Pulse Integrated Motor product series models and parameters:
NEMA 11 Open-loop Pulse Integrated Motor
| Model | Frame Size (NEMA) | Length (mm) | Holding Torque (N.m) | Shaft Diameter (mm) | Shaft Length (mm) | Phase Current (A) | Operation Voltage (VDC) |
| IDH28M-32 | 11 | 48 | 0.06 | 5 | 20 | 1.4~2.1 | DC(12~40) |
| IDH28M-42 | 11 | 58 | 0.09 | 5 | 20 | 1.4~2.1 | DC(12~40) |
| IDH28M-52 | 11 | 68 | 0.13 | 5 | 20 | 1.4~2.1 | DC(12~40) |
NEMA 14 Open-loop Pulse Integrated Motor
| Model | Frame Size (NEMA) | Length (mm) | Holding Torque (N.m) | Shaft Diameter (mm) | Shaft Length (mm) | Phase Current (A) | Operation Voltage (VDC) |
| IDH35M-36 | 14 | 56 | 0.22 | 5 | 24 | 1.4~2.1 | DC(12~40) |
| IDH35M-56 | 14 | 76 | 0.4 | 5 | 24 | 1.4~2.1 | DC(12~40) |
NEMA 17 Open-loop Pulse Integrated Motor
| Model | Frame Size (NEMA) | Length (mm) | Holding Torque (N.m) | Shaft Diameter (mm) | Shaft Length (mm) | Phase Current (A) | Operation Voltage (VDC) |
| IDH42M-40 | 17 | 62 | 0.4 | 5 | 24 | 1.4~2.1 | DC(12~40) |
| IDH42M-48 | 17 | 70 | 0.6 | 5 | 24 | 1.4~2.1 | DC(12~40) |
| IDH42M-60 | 17 | 82 | 0.8 | 5 | 24 | 1.4~2.1 | DC(12~40) |
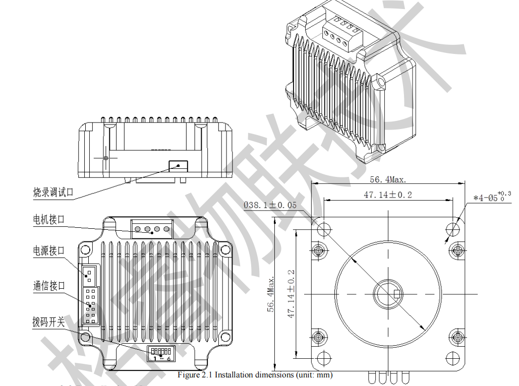
NEMA 23 Open-loop Pulse Integrated Motor
| Model | Frame Size (NEMA) | Length (mm) | Holding Torque (N.m) | Shaft Diameter (mm) | Shaft Length (mm) | Phase Current (A) | Operation Voltage (VDC) |
| IDH57M-56 | 23 | 74 | 1.3 | 8 | 21 | 1.4~5.3 | DC(24~48) |
| IDH57M-80 | 23 | 98 | 2.4 | 8 | 21 | 1.4~5.3 | DC(24~48) |
NEMA 24 Open-loop Pulse Integrated Motor
| Model | Frame Size (NEMA) | Length (mm) | Holding Torque (N.m) | Shaft Diameter (mm) | Shaft Length (mm) | Phase Current (A) | Operation Voltage (VDC) |
| IDH60M-68 | 24 | 86 | 2.4 | 8 | 21 | 1.4~5.3 | DC(24~48) |
| IDH60M-86 | 24 | 104 | 3 | 8 | 21 | 1.4~5.3 | DC(24~48) |

