
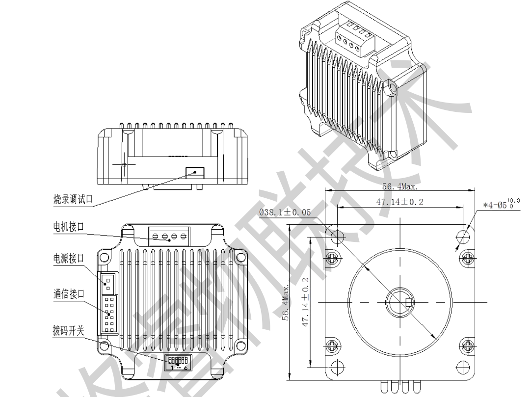
The integrated 485 bus-type open-loop stepper driver is a newly launched digital hybrid stepper servo driver with serial port debugging function. It integrates the MODBUS-RTU standard protocol specification. The power supply interface adopts an XH2.54-2P pin header, while the IO input/output ports and communication interface use a PHB2.0-2×6P pin header. Users can set various parameters such as subdivision, current, speed, and working mode through the upper computer debugging software, which greatly enriches the product's practical functions and meets the application needs of most occasions.
RS485 Bus Open-Loop Integrated Stepper Motor product series models and parameters:
NEMA 11 RS485 Bus Open-Loop Integrated Stepper Motor
| Model | Frame Size (NEMA) | Length (mm) | Holding Torque (N.m) | Shaft Diameter (mm) | Shaft Length (mm) | Phase Current (A) | Operation Voltage (VDC) |
| IRS28M-32 | 11 | 48 | 0.06 | 5 | 20 | 1.4~2.1 | DC(12~40) |
| IRS28M-42 | 11 | 58 | 0.09 | 5 | 20 | 1.4~2.1 | DC(12~40) |
| IRS28M-52 | 11 | 68 | 0.13 | 5 | 20 | 1.4~2.1 | DC(12~40) |
NEMA 14 RS485 Bus Open-Loop Integrated Stepper Motor
| Model | Frame Size (NEMA) | Length (mm) | Holding Torque (N.m) | Shaft Diameter (mm) | Shaft Length (mm) | Phase Current (A) | Operation Voltage (VDC) |
| IRS35M-36 | 14 | 56 | 0.22 | 5 | 24 | 1.4~2.1 | DC(12~40) |
| IRS35M-56 | 14 | 76 | 0.4 | 5 | 24 | 1.4~2.1 | DC(12~40) |
NEMA 17 RS485 Bus Open-Loop Integrated Stepper Motor
| Model | Frame Size (NEMA) | Length (mm) | Holding Torque (N.m) | Shaft Diameter (mm) | Shaft Length (mm) | Phase Current (A) | Operation Voltage (VDC) |
| IRS42M-40 | 17 | 62 | 0.4 | 5 | 24 | 1.4~2.1 | DC(12~40) |
| IRS42M-48 | 17 | 70 | 0.6 | 5 | 24 | 1.4~2.1 | DC(12~40) |
| IRS42M-60 | 17 | 82 | 0.8 | 5 | 24 | 1.4~2.1 | DC(12~40) |
NEMA 23 RS485 Bus Open-Loop Integrated Stepper Motor
| Model | Frame Size (NEMA) | Length (mm) | Holding Torque (N.m) | Shaft Diameter (mm) | Shaft Length (mm) | Phase Current (A) | Operation Voltage (VDC) |
| IRS57M-56 | 23 | 74 | 1.3 | 8 | 21 | 1.4~5.3 | DC(24~48) |
| IRS57M-80 | 23 | 98 | 2.4 | 8 | 21 | 1.4~5.3 | DC(24~48) |
NEMA 24 RS485 Bus Open-Loop Integrated Stepper Motor
| Model | Frame Size (NEMA) | Length (mm) | Holding Torque (N.m) | Shaft Diameter (mm) | Shaft Length (mm) | Phase Current (A) | Operation Voltage (VDC) |
| IRS60M-68 | 24 | 86 | 2.4 | 8 | 21 | 1.4~5.3 | DC(24~48) |
| IRS60M-86 | 24 | 104 | 3 | 8 | 21 | 1.4~5.3 | DC(24~48) |

O