
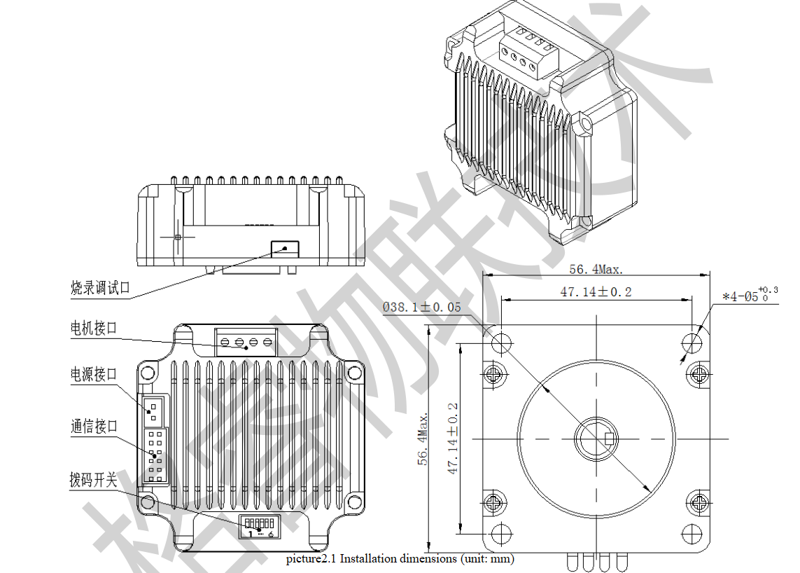
The integrated pulse-type stepper motor is a new motor-driver integrated actuator newly launched by GRMOT Technology Co., Ltd. It adopts the latest dedicated motor control digital signal processor, which enhances the motor's overall performance, reduces its heat generation and minimizes vibration. The integrated design of the motor and driver ensures a more compact installation and reduces external interference. This integrated motor comes with a serial port debugging function and uses a MINI USB interface for communication. Users can set various parameters such as subdivision, current and working mode through the upper computer debugging software, greatly enriching the product's practical functions and enabling it to meet the application needs of most occasions.
Closed-loop Pulse Integrated Motor product series models and parameters:
NEMA 11 Closed-loop Pulse Integrated Motor
| Model | Frame Size (NEMA) | Length (mm) | Holding Torque (N.m) | Shaft Diameter (mm) | Shaft Length (mm) | Phase Current (A) | Operation Voltage (VDC) |
| ISS28M-32 | 11 | 48 | 0.06 | 5 | 20 | Adaption | DC(12~40) |
| ISS28M-42 | 11 | 58 | 0.09 | 5 | 20 | Adaption | DC(12~40) |
| ISS28M-52 | 11 | 68 | 0.13 | 5 | 20 | Adaption | DC(12~40) |
NEMA 14 Closed-loop Pulse Integrated Motor
| Model | Frame Size (NEMA) | Length (mm) | Holding Torque (N.m) | Shaft Diameter (mm) | Shaft Length (mm) | Phase Current (A) | Operation Voltage (VDC) |
| ISS35M-36 | 14 | 56 | 0.22 | 5 | 24 | Adaption | DC(12~40) |
| ISS35M-56 | 14 | 76 | 0.4 | 5 | 24 | Adaption | DC(12~40) |
NEMA 17 Closed-loop Pulse Integrated Motor
| Model | Frame Size (NEMA) | Length (mm) | Holding Torque (N.m) | Shaft Diameter (mm) | Shaft Length (mm) | Phase Current (A) | Operation Voltage (VDC) |
| ISS42M-40 | 17 | 62 | 0.4 | 5 | 24 | Adaption | DC(12~40) |
| ISS42M-48 | 17 | 70 | 0.6 | 5 | 24 | Adaption | DC(12~40) |
| ISS42M-60 | 17 | 82 | 0.8 | 5 | 24 | Adaption | DC(12~40) |
NEMA 23 Closed-loop Pulse Integrated Motor
| Model | Frame Size (NEMA) | Length (mm) | Holding Torque (N.m) | Shaft Diameter (mm) | Shaft Length (mm) | Phase Current (A) | Operation Voltage (VDC) |
| ISS57M-56 | 23 | 74 | 1.3 | 8 | 21 | Adaption | DC(24~48) |
| ISS57M-80 | 23 | 98 | 2.4 | 8 | 21 | Adaption | DC(24~48) |
NEMA 24 Closed-loop Pulse Integrated Motor
| Model | Frame Size (NEMA) | Length (mm) | Holding Torque (N.m) | Shaft Diameter (mm) | Shaft Length (mm) | Phase Current (A) | Operation Voltage (VDC) |
| ISS60M-68 | 24 | 86 | 2.4 | 8 | 21 | Adaption | DC(24~48) |
| ISS60M-86 | 24 | 104 | 3 | 8 | 21 | Adaption | DC(24~48) |

