0755-23206995 原图标 中文 EN
微信 WeChat WhatsApp WhatsApp 产品选型 产品选型 意见反馈 意见反馈

请您留言

步进电机产品

产品中心

GR57HB76两相开环步进电机

您所在的位置:首页 > 产品中心 > 两相HB标准型步进电机 > GR57HB76两相开环步进电机
GR57HB76两相开环步进电机

GR57HB76两相开环步进电机

步进电机是一种直接将电脉冲转化为角度位置的机械装置,角度的多少取决于脉冲的数量,它与其他配套的步进电机驱动装置共同组成了一套控制简单,而又低成本的开环系统。

    步进电机是一种直接将电脉冲转化为角度位置的机械装置,角度的多少取决于脉冲的数量。步进驱动器采用最新的32位ARM处理器进行控制,此数字驱动器外设细分、电流、辅助功能拨码,用户可根据需要自由设置。与其他配套的步进电机驱动装置共同组成了一套控制简单,而又低成本的开环系统。

     两相开环步进电机系列型号及参数:

28机座法兰

产品型号电机长度
(mm)
电机轴径
(mm)
电机轴长
(mm)
额定电流
(A)
保持力矩
(N.m)
转子惯量
(g.cm²)
相数引出线匹配驱动器
GR28HB30305240.70.06824DM422
GR28HB50505240.670.11824DM422

35机座法兰

产品型号电机长度
(mm)
电机轴径
(mm)
电机轴长
(mm)
额定电流
(A)
保持力矩
(N.m)
转子惯量
(g.cm²)
相数引出线匹配驱动器
GR35HB33335210.80.111424DM422
GR35H51515211.20.352324DM422

42机座法兰

产品型号电机长度
(mm)
电机轴径
(mm)
电机轴长
(mm)
额定电流
(A)
保持力矩
(N.m)
转子惯量
(g.cm²)
相数引出线匹配驱动器
GR42HB40405240.80.45724DM422
GR42HB48485242.50.488224DM422
GR42HB60605241.70.711724DM542

57机座法兰

产品型号电机长度
(mm)
电机轴径
(mm)
电机轴长
(mm)
额定电流
(A)
保持力矩
(N.m)
转子惯量
(g.cm²)
相数引出线匹配驱动器
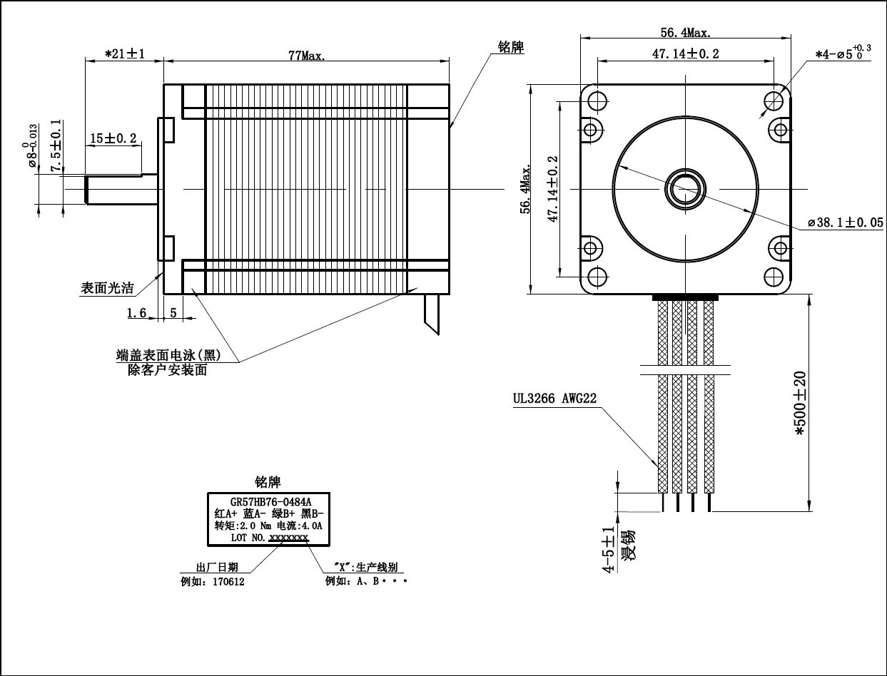
GR57HB56568213.01.230024DM542
GR57HB76768215.02.348024DM542
GR57HB80808215.02.452024DM542
GR57HB80-30808215.02.452024DM542
GR57HB1001008305.02.870024DM542
GR57HB1121128305.03.078024DM542

60机座法兰

产品型号电机长度
(mm)
电机轴径
(mm)
电机轴长
(mm)
额定电流
(A)
保持力矩
(N.m)
转子惯量
(g.cm²)
相数引出线匹配驱动器
GR60HB86868215.03.090024DM542
GR60HB86-30868305.03.095024
DM542

86机座法兰

产品型号电机长度
(mm)
电机轴径
(mm)
电机轴长
(mm)
额定电流
(A)
保持力矩
(N.m)
转子惯量
(g.cm²)
相数引出线匹配驱动器
GR86HB808014326.04.5180024DM860
GR86HB11811814326.08.5270024DM860
GR86HB15615614326.012.0400024DM860




与两相开环步进电机GR57HB76配套的产品如下:

          两相开环驱动器DM542

                     查看详情



  • 文件名
  • 格式
  • 大小
  • 操作
(*)号为必填
*
*
*
*
*
*
*
*

我已阅读并同意《隐私保护》

(*)号为必填
*
*
*
*
*
*

我已阅读并同意《隐私保护》

邮箱登录手机登录
手机登录邮箱登录
邮箱找回密码
修改个人密码
密码修改已成功,请重新登录!
0.319469s